



VALVE INTELLECTUAL TECHNOLOGY EXPERT
- …



VALVE INTELLECTUAL TECHNOLOGY EXPERT
- …

Go Back


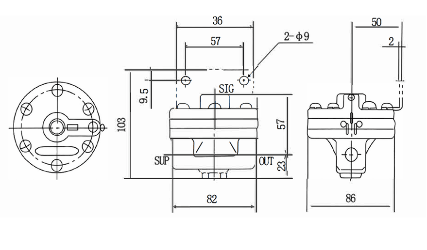
ATB100 Pneumatic Booster
ATB100 Pneumatic Booster is a pneumatic control component used to amplify input pneumatic signals (such as pressure or flow) and drive the operation of actuators.
More Details


ACCUTORK
One-stop Fluid Control Solution
Discover Your Precision Fluid Control Solution
Precision Engineering, Built-in Reliability
Reliability is not the result of a single technological advantage, but the culmination of multi-layered, comprehensive innovation. It is defined by every detail, from core control algorithms and structural design to material selection and manufacturing processes.
Precision Fluid Control Solution
Powered By
